여기에
제품홍보관
검색
뉴스
여기에 마켓
에이티컴퍼니
홍보관 소개
홍보관 제품
홍보관 포스팅
공지사항
고객센터
홈페이지 바로가기
http://www.atcompany.co.kr
오시는길
로그인
이메일
비밀번호
로그인
0504-0667-5919
atc86@naver.com
오시는길
문의하기
홍보관 소개
인사말
오시는 길
홍보관 제품
전체보기
0
에어피더
0
에어 트랜스포터
0
에어 쿨러
0
퍼퍽테 에어필터
0
바이브레이터
0
에어 볼 리프터
0
올인원 노커
0
기타 소모품
0
홍보관 포스팅
전체보기
0
공지사항
고객센터
홍보관 제품
HOME
홍보관 제품
이전
다음
이전
다음
제품코드
G102097
제품명
바이브레이터
모델명
NSVE SERIES
제품분류
바이브레이터
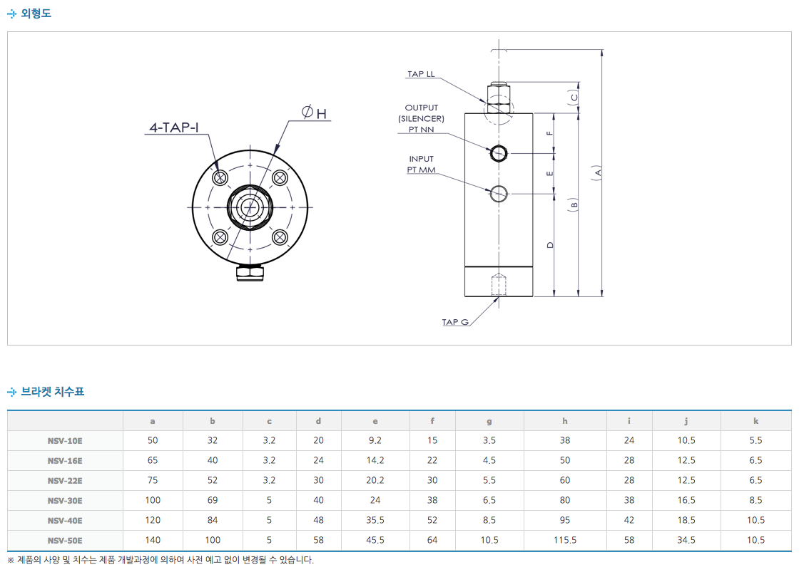
사양
단순한 구성의 새로운 시스템으로 긴 수명 실현
가격
가격협의
세금계산서
가능
거래방식
상태
판매지역
전국
A/S 여부
가능
설치 및 시운전
가능
상세정보
목록