여기에
제품홍보관
검색
뉴스
여기에 마켓
에이티컴퍼니
홍보관 소개
홍보관 제품
홍보관 포스팅
공지사항
고객센터
홈페이지 바로가기
http://www.atcompany.co.kr
오시는길
로그인
이메일
비밀번호
로그인
0504-0667-5919
atc86@naver.com
오시는길
문의하기
홍보관 소개
인사말
오시는 길
홍보관 제품
전체보기
0
에어피더
0
에어 트랜스포터
0
에어 쿨러
0
퍼퍽테 에어필터
0
바이브레이터
0
에어 볼 리프터
0
올인원 노커
0
기타 소모품
0
홍보관 포스팅
전체보기
0
공지사항
고객센터
홍보관 제품
HOME
홍보관 제품
이전
다음
이전
다음
제품코드
G102098
제품명
바이브레이터
모델명
NSVI SERIES
제품분류
바이브레이터
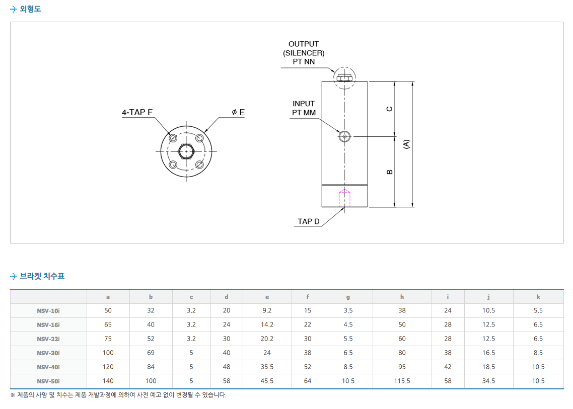
사양
원하는 출력별로 다양한 사이즈의 제품
가격
가격협의
세금계산서
가능
거래방식
상태
판매지역
전국
A/S 여부
가능
설치 및 시운전
가능
상세정보
목록