여기에
제품홍보관
검색
뉴스
여기에 마켓
홈페이지 바로가기
http://www.감속기.net
오시는길
로그인
이메일
비밀번호
로그인
동신테크노
홍보관 소개
홍보관 제품
홍보관 포스팅
공지사항
고객센터
동신테크노
동신테크노
오시는길
문의하기
홍보관 제품
전체보기
0
동력전달기계/부품
0
감속기
0
교반기
0
0504-0667-5096
dongsinit@naver.com
홍보관 제품
이전
다음
이전
다음
제품코드
G106695
세금계산서
가능
제품명
싸이크로감속기,감속기
거래방식
모델명
DHM-F13 ~ DHM-F16
상태
제품분류
동력전달기계/부품
교반기
판매지역
전국
사양
A/S 여부
가능
가격
가격협의
설치 및 시운전
불가능
상세정보
모델명
DHM-F13 ~ DHM-F16
기본사양
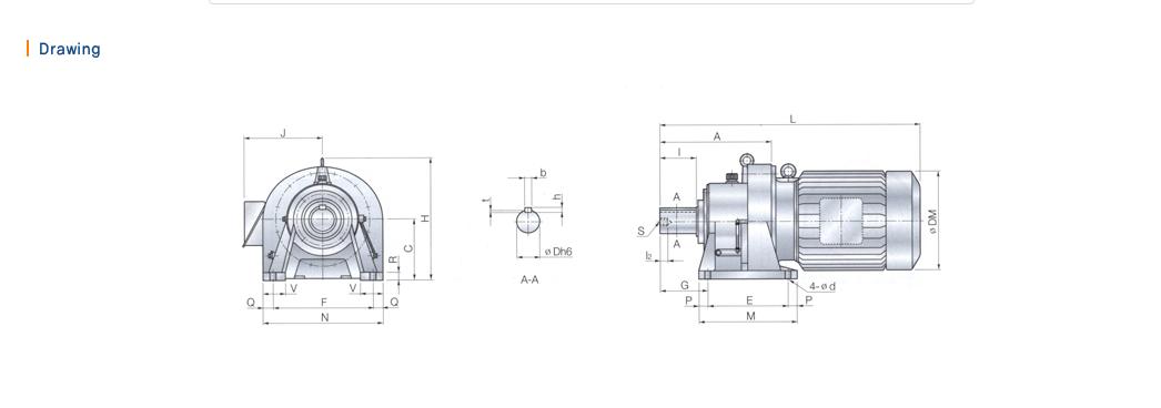
Drawing
목록