여기에
제품홍보관
검색
뉴스
여기에 마켓
여기에
검색
쎄텍
NAVIGATION SWITCH
로그인
이메일
비밀번호
로그인
닫기
홍보관 소개
인사말
오시는 길
홍보관 제품
전체보기
0
SENSOR
0
토르크변환기
0
로드셀
0
압력센서
0
변위변환기
0
인디게이터
0
증폭기
0
RPM센서
0
NUT RUNNER
0
HAND-HELD NUT RUNNER
0
ROBOT
0
홍보관 포스팅
전체보기
0
공지사항
고객센터
0504-0667-0873
setech@setech.co.kr
SEARCH SWITCH
검색
홍보관 제품
제품코드
G111825
제품명
토르크변환기
가격
가격협의
모델명
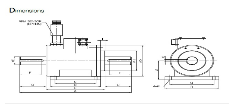
TMA 0.5~200kgf-m
제품분류
SENSOR
토르크변환기
사양
세금계산서
가능
거래방식
상태
판매지역
전국
A/S 여부
가능
설치 및 시운전
가능
스팩 더보기
상세정보
목록
0504-0667-0873
setech@setech.co.kr
방문자 현황
SINCE
0000-00-00
TODAY
-
TOTAL
-
전체제품수
-
전체홍보관 금일방문수
-