여기에
제품홍보관
검색
뉴스
여기에 마켓
쎄텍
홈페이지 바로가기
http://www.setech.co.kr
오시는길
로그인
이메일
비밀번호
로그인
홍보관 소개
홍보관 제품
홍보관 포스팅
공지사항
고객센터
- 공지사항
등록된 글이 없습니다
더보기 +
검색
쎄텍
오시는길
문의하기
홍보관 제품
전체보기
0
SENSOR
0
토르크변환기
0
로드셀
0
압력센서
0
변위변환기
0
인디게이터
0
증폭기
0
RPM센서
0
NUT RUNNER
0
HAND-HELD NUT RUNNER
0
ROBOT
0
0504-0667-0873
setech@setech.co.kr
홍보관 제품
이전
다음
이전
다음
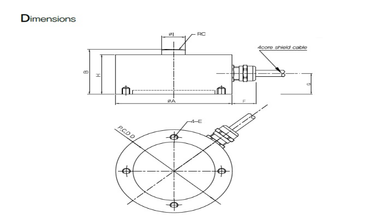
제품코드
G111832
세금계산서
가능
제품명
로드셀
거래방식
모델명
YC54 50kgf~20tonf
상태
제품분류
SENSOR
로드셀
판매지역
전국
사양
A/S 여부
가능
가격
가격협의
설치 및 시운전
가능
상세정보
목록