여기에
제품홍보관
검색
뉴스
여기에 마켓
오시는길
로그인
이메일
비밀번호
로그인
대구경북공단소개,여기에,마나요,여기에,공단전화전호
대구경북공단소개,여기에,마나요,여기에,공단전화전호
홍보관 소개
홍보관 제품
홍보관 포스팅
공지사항
고객센터
검색
최고의 품질과 서비스로 고객을 만족시키는 기업
한국에는 류철문이 있습니다
010-3503-0881
010-3503-0881
tty704@naver.com
오시는길
문의하기
홍보관 소개
인사말
오시는 길
홍보관 제품
전체보기
0
공작기계/금속가공
0
척/전자척/바이스
0
다축헤드
0
브로칭머신
0
밀링
0
선반
0
CNC선반
0
드릴링머신
0
보링기/건드릴
0
연마기,바렐기
0
태핑기/탭핑머신
0
호빙기
0
슬롯터/브로칭머신
0
방전가공기
0
와이어컷팅기
0
공작기계기타
0
레이저가공기
0
공작기계관련장비/부품
0
프레스
0
전용기
0
연삭기
0
머시닝센타
0
가공기/고속가공기
0
조각기/CNC조각기
0
절단/절곡/가공기계/톱기계
0
프레스자동화
0
프레스
0
절곡기
0
절단기
0
절단가공기계 기타
0
톱기계/콘타
0
밴딩기
0
워터젯
0
와이어컷팅기
0
고속프레스
0
고무/플라스틱/합성수지
0
냉각기
0
취출로봇
0
스크류/실린더
0
금형온도조절기
0
마스터배치/컴파운드/첨가제
0
재생기
0
3D프린터/3D스캐너
0
사출기
0
고무 및 플라스틱 성형 기타
0
분쇄기
0
몰딩기
0
혼합기
0
압출기
0
사출성형기
0
성형기
0
파쇄기
0
믹서/사이드믹서
0
엔지니어링플라스틱
0
블로우/진공성형기
0
오링
0
건조기/제습기
0
호퍼로더/호퍼드라이어
0
각종 고무제품
0
우레탄/PP/실리콘/베크라이트
0
테프론
0
합성수지소재
0
관련주변기기
0
일반산업기계
0
도장기계/도장설비시스템
0
진공로/열처리로/각종로
0
비파괴검사장비
0
농축산기자재
0
화학섬유기계
0
염색기계
0
섬유용기계 기타
0
목공기계
0
인쇄기계
0
음식료품기계
0
광학,의료기계
0
농기계/임업기계
0
일반산업기계 기타
0
샌딩기/쇼트기
0
자석응용기기
0
포밍기
0
동력전달기계/부품
0
모터
0
기타
0
감속기
0
교반기
0
벨트/체인/로프
0
스냅링/키
0
카플링/조인트/파워록
0
클러치/브레이크
0
기어
0
베어링/강구/핀
0
스프링
0
각종 동력전달부품
0
풀리/타이밍풀리
0
전기/전자/통신/반도체
0
파워/슬라이닥스
0
보호계전기,과부하방지
0
SCR UNIT
0
스텐판금/스텐박스
0
퓨즈/휴즈(FUSE)
0
냉각팬/쿨링팬
0
전기조립관련설비
0
전자응용조립기계.설비
0
전기전자관련 기타
0
발전기
0
수배전반/부스바
0
슬립링/조이스틱/전원연결
0
전기판금/전기박스
0
정전기관련/클린룸
0
조명/등기구/경광등/LED/가로등
0
차단기/개폐기/스위치
0
히터/전열기
0
UPS/AVR/변압기/콘덴서/트랜스
0
케이블체인/케이블덕트/케이블
0
전선/광섬유/코일
0
계장/자동제어
0
인버터/컨버터
0
전기배관자재
0
전자부품
0
충전기/베터리
0
콘트롤박스
0
통신장비/기계
0
IC/반도체부품/클린룸
0
LED/PDP/LCD
0
PCB/PLC
0
주단조/용접/금형기계
0
플라즈마(프라즈마)용접기
0
용접기계
0
주.단조 및 용접기계 기타
0
용접봉
0
용접기자재
0
아크용접기
0
CO2용접기
0
TIG용접기
0
STUD용접기
0
SPOT용접기
0
인버터용접기
0
물류/포장/운송/보관
0
파렛트/파레트
0
단프라박스/단프라시트
0
포장기/진공포장기/씰링기
0
마킹기/라벨러
0
바퀴/운반기구/캐스터
0
콘베이어/롤러
0
파렛트럭/콘테이너
0
호이스트/크레인/에어바란스
0
자동승강운반구
0
지게차/전동지게차
0
고소작업대
0
리프트/스태커/도크/레벨러
0
물품보관함
0
작업대
0
케비넷/랙
0
포장기계
0
포장기자재
0
플라스틱상자
0
기타
0
측정/계측/검사/시험기
0
전기.전자계측기계
0
검사시험기
0
검사.시험기.계측기 기타
0
계측기/기록지시계
0
광학기자재
0
로드셀/저울/계량기
0
측정공구
0
콘트롤러/회로검사
0
항온항습기
0
3차원측정기
0
각종 게이지
0
길이측정기
0
내외경측정기
0
두께측정기
0
온도계
0
전압/전류계
0
풍속계/회전계
0
플랜트/설비
0
공해방지설비
0
밸브/배관자재
0
산업환경장비
0
설비탱크
0
수도설비/정수처리
0
플랜트기기
0
가공/주문
0
금속가공
0
임가공
0
레이저가공/워터젯가공
0
도장,표면처리,도금
0
플라스틱가공
0
금형가공/목형가공
0
절단,절곡
0
명판조각,금속부식
0
사출가공/압출가공
0
열처리
0
초음파응용기기
0
초음파/스프레이 세척기
0
초음파용착기
0
초음파진동자
0
초음파측정기
0
소방/안전/보안
0
소방/안전설비
0
자동문/공장자동문
0
소화전/소화기
0
소방설비류
0
유도등/피난유도등
0
안전모/작업복/마스크
0
안전벨트
0
안전사다리
0
안전장화/장갑/신발/안경
0
휀스/칸막이/자바라
0
정보통신/프로그램/컴퓨터
0
주변기기/부품
0
섬유/직물/의류
0
산업용섬유/섬유신소재
0
콤프레샤
0
에어필터
0
왕복동콤프레샤
0
스크롤콤프레샤
0
스크류콤프레샤
0
에어드라이어
0
에어탱크
0
기타
0
건설중장비/건설자재
0
건설/건축자재
0
농기계
0
굴삭기
0
지게차/카트
0
크레인
0
발전기/엔진
0
건설중장비
0
건설기계/공구
0
로봇/자동화기기
0
원통좌표로봇
0
티칭/컨트롤러
0
로봇용케이블/케이블체인
0
스카라로봇/델타로봇
0
로봇청소기
0
기타 로봇 및 자동화부품
0
서보모터/서보팩/서보드라이버
0
산업용로봇/데스크탑로봇
0
서보(SERVO)/인버터
0
센서/엔코더/계측
0
자동인식장비/바코더
0
자동화장비/전용기
0
파츠피더/바이브레타
0
액추에이터/LM가이드/볼스크류
0
PLC/PAC/컨트롤기기
0
다관절로봇
0
비젼시스템/카메라
0
용접로봇
0
자동화설비/시스템
0
직교좌표로봇
0
부품/소재
0
프레스/다이캐스트 금형부품
0
사출금형부품
0
스프링/스냅링/키/핀
0
핸들/레바/손잡이
0
기계예비/부속품
0
볼트/너트/리벳트/와샤
0
비철금속/Profile류
0
세라믹/요업/내화물
0
연마봉/호닝파이프
0
연마석/브러쉬/페파
0
정반/특수강/철강/철망
0
기타 부품/소재
0
카본/티타늄
0
알루미늄
0
자석/마그네트
0
유공압/유분체/펌프
0
클램프
0
기타펌프
0
휘팅/닛블/유니온
0
레귤레이터
0
콤프레샤
0
브로와/블로워/blower
0
팩킹/씰
0
실린더
0
유공압부품/노즐/파워팩
0
윤활유/오일
0
정량토출/그리스주입기
0
정유기/유수분리기
0
유압유니트
0
각종산업용오일
0
유압실린더
0
공압실린더
0
정유기/유수분리기
0
진공펌프/에어펌프
0
수중펌프
0
고압펌프/원심펌프
0
오일펌프/슬러지펌프/이송펌프
0
냉동/공조/냉난방
0
보일러/버너
0
후렉시블
0
오일쿨러/판넬쿨러
0
송풍기/환풍기/공조설비
0
건조기/전기로
0
공업용히터
0
공조배관/배관설비
0
냉각기
0
냉동공조기계부속품
0
냉동공조제어장치
0
단열재
0
열교환기
0
제습기
0
항온항습기
0
히터/열풍기
0
기타 냉동/공조/냉난방
0
공구/안전용품
0
농기구
0
칼/나이프
0
호스/고압호스
0
수공구
0
작업공구
0
전동공구
0
유공압공구
0
공구함
0
부품보관함
0
건설공구
0
다이아몬드공구
0
도로안전용품
0
보호장구
0
에어공구
0
절삭공구
0
조경공구
0
초경공구
0
통신공구
0
호흡/청력보호구
0
환경설비/에너지
0
에어컨
0
집진기/정화기
0
청소기/고압세척기/청소차/광택기
0
탈수기/원심분리기/농축기
0
필터/여과장치
0
축전지
0
태양광장치
0
기타
0
기타
0
기타
0
홍보관 포스팅
전체보기
0
공지사항
고객센터
홍보관 제품
HOME
홍보관 제품
이전
다음
이전
다음
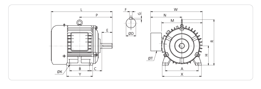
제품코드
G123266
제품명
삼상모터
모델명
0.1kW(1/8HP) 4P
제품분류
동력전달기계/부품
모터
사양
가격
가격협의
세금계산서
가능
거래방식
상태
판매지역
전국
A/S 여부
가능
설치 및 시운전
불가능
상세정보
목록