여기에
제품홍보관
검색
뉴스
여기에 마켓
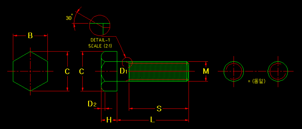
용융볼트
홍보관 소개
홍보관 제품
홍보관 포스팅
공지사항
고객센터
홈페이지 바로가기
https://blog.naver.com/hanabolt2017
오시는길
로그인
이메일
비밀번호
로그인
0504-0668-0345
hanabolt2017@naver.com
오시는길
문의하기
홍보관 소개
인사말
오시는 길
홍보관 제품
전체보기
0
부품/소재
0
볼트/너트/리벳트/와샤
0
홍보관 포스팅
전체보기
0
새 분류
0
공지사항
고객센터
HOME
공지사항
공지사항
NO
제목
조회수
등록일
등록된 글이 없습니다