여기에
제품홍보관
검색
뉴스
여기에 마켓
산업포털 '여기에'
홍보관 소개
홍보관 제품
홍보관 포스팅
공지사항
고객센터
문의하기
이메일
비밀번호
로그인
산업포털 '여기에'
010-6674-2900
suljunbenge@naver.com
산업포털 '여기에'
홍보관 소개
인사말
오시는 길
홍보관 제품
전체보기
0
공작기계/금속가공
0
척/전자척/바이스
0
면취기
0
밀링
0
CNC밀링
0
머시닝센타/MCT
0
선반
0
CNC선반
0
드릴링머신
0
보링기/건드릴
0
연마기,바렐기
0
태핑기/탭핑머신
0
슬롯터/브로칭머신
0
방전가공기
0
와이어컷팅기
0
가공기계
0
공작기계기타
0
레이저가공기
0
공작기계관련장비/부품
0
프레스
0
전용기
0
연삭기
0
레디알
0
가공기/고속가공기
0
대형공작기계
0
소형공작기계
0
NC선반
0
조각기/CNC조각기
0
절단/절곡/가공기계/톱기계
0
프레스자동화
0
프레스
0
절단기
0
절단가공기계 기타
0
톱기계/콘타
0
밴드쇼
0
고속프레스
0
고무/플라스틱/합성수지
0
취출로봇
0
원료공급장치
0
스크류/실린더
0
금형온도조절기
0
마스터배치/컴파운드/첨가제
0
화학약품/화공약품
0
재생기
0
융착기
0
3D프린터/3D스캐너
0
사출기
0
고무 및 플라스틱 성형 기타
0
분쇄기
0
압출기
0
압출성형기
0
파쇄기
0
스폰지
0
엔지니어링플라스틱
0
오링
0
건조기/제습기
0
호퍼로더/호퍼드라이어
0
각종 고무제품
0
우레탄/PP/실리콘/베크라이트
0
테프론
0
플라스틱소재/재생플라스틱
0
합성수지소재
0
일반산업기계
0
도장기계/도장설비시스템
0
진공로/열처리로/각종로
0
비파괴검사장비
0
농축산기자재
0
화학섬유기계
0
염색기계
0
섬유용기계 기타
0
인쇄기계
0
종이가공기계
0
음식료품기계
0
광학,의료기계
0
농기계/임업기계
0
일반산업기계 기타
0
샌딩기/쇼트기
0
금속검출기
0
자석응용기기
0
고주파응용기기
0
동력전달기계/부품
0
모터
0
기타
0
감속기
0
교반기
0
풀리/동력이송부품
0
벨트/체인/로프
0
카플링/조인트/파워록
0
클러치/브레이크
0
기어
0
베어링/강구/핀
0
스프링
0
각종 동력전달부품
0
변속기
0
풀리/타이밍풀리
0
전기/전자/통신/반도체
0
스텐판금/스텐박스
0
전기조립관련설비
0
전자응용조립기계.설비
0
전기전자관련 기타
0
발전기
0
수배전반/부스바
0
슬립링/조이스틱/전원연결
0
전기판금/전기박스
0
정전기관련/클린룸
0
조명/등기구/경광등/LED/가로등
0
차단기/개폐기/스위치
0
히터/전열기
0
UPS/AVR/변압기/콘덴서/트랜스
0
케이블체인/케이블덕트/케이블
0
전선/광섬유/코일
0
계장/자동제어
0
경보기/CCTV/음향기기
0
인버터/컨버터
0
전기배관자재
0
전자부품
0
충전기/베터리
0
콘트롤박스
0
통신장비/기계
0
IC/반도체부품/클린룸
0
LED/PDP/LCD
0
PCB/PLC
0
산업용컴퓨터
0
전기차/관련기자재
0
주단조/용접/금형기계
0
플라즈마(프라즈마)용접기
0
주조기계
0
용접기계
0
용접봉
0
용접기자재
0
아크용접기
0
TIG용접기
0
SPOT용접기
0
인버터용접기
0
물류/포장/운송/보관
0
포장기/진공포장기/씰링기
0
마킹기/라벨러
0
바퀴/운반기구/캐스터
0
콘베이어/롤러
0
파렛트럭/콘테이너
0
호이스트/크레인/에어바란스
0
자동승강운반구
0
지게차/전동지게차
0
공구함
0
리프트/스태커/도크/레벨러
0
물품보관함
0
작업대
0
케비넷/랙
0
포장기계
0
포장기자재
0
케이블체인/케이블닥트
0
컨테이너/조립/이동식주택
0
기타
0
측정/계측/검사/시험기
0
유량계
0
전기.전자계측기계
0
검사시험기
0
검사.시험기.계측기 기타
0
계측기/기록지시계
0
광학기자재
0
로드셀/저울/계량기
0
측정공구
0
콘트롤러/회로검사
0
환경측정기
0
3차원측정기
0
각종 게이지
0
길이측정기
0
온도계
0
전압/전류계
0
플랜트/설비
0
반송운반설비
0
설비 기타
0
밸브/배관자재
0
산업환경장비
0
설비공사
0
설비탱크
0
플랜트기기
0
가공/주문
0
금속가공
0
임가공
0
레이저가공/워터젯가공
0
도장,표면처리,도금
0
플라스틱가공
0
금형가공/목형가공
0
절단,절곡
0
명판조각,금속부식
0
기타
0
사출가공/압출가공
0
열처리
0
초음파응용기기
0
초음파/스프레이 세척기
0
초음파용착기
0
초음파측정기
0
소방/안전/보안
0
소방/안전설비
0
자동문/공장자동문
0
CCTV
0
소화전/소화기
0
소방설비류
0
유도등/피난유도등
0
안전모/작업복/마스크
0
안전사다리
0
안전장화/장갑/신발/안경
0
휀스/칸막이/자바라
0
정보통신/프로그램/컴퓨터
0
CAD/CAM
0
소프트웨어
0
하드웨어
0
주변기기/부품
0
섬유/직물/의류
0
커튼/시트/원단
0
나일론/코튼/레이온
0
산업용섬유/섬유신소재
0
조선기자재
0
선박용엔진
0
엔진부품
0
파이어댐퍼
0
선박부품
0
방폭기자재
0
콤프레샤
0
고압콤프레샤
0
에어필터
0
왕복동콤프레샤
0
에어드라이어
0
에어탱크
0
건설중장비/건설자재
0
건설/건축자재
0
농기계
0
크레인
0
발전기/엔진
0
건설중장비
0
덤프/믹서트럭
0
기타장비
0
건설기계/공구
0
로봇/자동화기기
0
티칭/컨트롤러
0
로봇용케이블/케이블체인
0
스카라로봇/델타로봇
0
산업용PC/산업용SW
0
기타 로봇 및 자동화부품
0
전원관리
0
서비스로봇
0
서보모터/서보팩/서보드라이버
0
산업용로봇/데스크탑로봇
0
서보(SERVO)/인버터
0
센서/엔코더/계측
0
자동인식장비/바코더
0
자동화장비/전용기
0
액추에이터/LM가이드/볼스크류
0
PLC/PAC/컨트롤기기
0
다관절로봇
0
모션컨트롤
0
비젼시스템/카메라
0
용접로봇
0
자동화설비/시스템
0
직교좌표로봇
0
부품/소재
0
프레스/다이캐스트 금형부품
0
사출금형부품
0
스프링/스냅링/키/핀
0
후렉시블
0
핸들/레바/손잡이
0
기계예비/부속품
0
볼트/너트/리벳트/와샤
0
비철금속/Profile류
0
세라믹/요업/내화물
0
연마봉/호닝파이프
0
연마석/브러쉬/페파
0
정반/특수강/철강/철망
0
기타 부품/소재
0
카본/티타늄
0
알루미늄
0
자석/마그네트
0
유공압/유분체/펌프
0
기타펌프
0
휘팅/닛블/유니온
0
엔진양수기
0
콤프레샤
0
팩킹/씰
0
실린더
0
유공압부품/노즐/파워팩
0
윤활유/오일
0
정량토출/그리스주입기
0
진공기기/쇽압소바
0
유압유니트
0
각종산업용오일
0
유압실린더
0
공압실린더
0
솔레노이드밸브
0
엑츄에이터
0
오일여과기
0
정유기/유수분리기
0
진공펌프/에어펌프
0
수중펌프
0
고압펌프/원심펌프
0
다이아프렘펌프
0
오일펌프/슬러지펌프/이송펌프
0
냉동/공조/냉난방
0
온도조절기
0
보일러/버너
0
송풍기/환풍기/공조설비
0
건조기/전기로
0
공업용히터
0
공조배관/배관설비
0
냉각기
0
냉동공조제어장치
0
단열재
0
열교환기
0
히터/열풍기
0
기타 냉동/공조/냉난방
0
공구/안전용품
0
농기구
0
호스/고압호스
0
바이스/유압바이스
0
수공구
0
작업공구
0
전동공구
0
건설공구
0
다이아몬드공구
0
도로안전용품
0
배관공구
0
보호장구
0
소방용기자재
0
에어공구
0
절삭공구
0
조경공구
0
초경공구
0
환경설비/에너지
0
에어컨
0
집진기/정화기
0
청소기/고압세척기/청소차/광택기
0
탈수기/원심분리기/농축기
0
필터/여과장치
0
공기조화기
0
배터리
0
신재생에너지
0
축전지
0
태양광모듈
0
태양광장치
0
태양광패널
0
산업용세정제
0
기타
0
기타
0
기타
0
홍보관 포스팅
전체보기
0
공지사항
고객센터
※ 빠른 상품 검색을 위해서 검색창을 이용하세요
검색
제품명
상태
가격
초경 보링바
이엑스파워 초경 보링바
신품
가격협의
표준 보링 공구
BORING BAR-STRAIGHT SHANK TYPE
신품
가격협의
표준 보링 공구
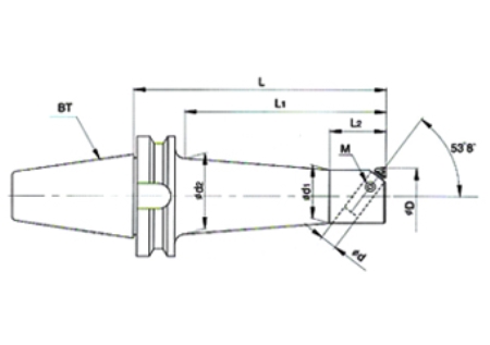
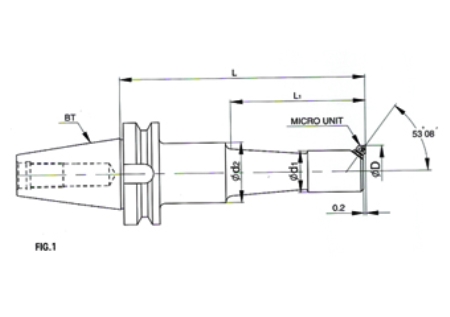
BORING BAR-BT TYPE
신품
가격협의
표준 보링 공구
BORING BAR-NT TYPE
신품
가격협의
표준 보링 공구
BORING BAR-M TYPE
신품
가격협의
표준 보링 공구
BORING BAR - G TYPE
신품
가격협의
덕성공구사 드릴
산업용 드릴
신품
가격협의
FIRST
PREV
1
NEXT
LAST